欢迎访问河源水业集团官方网站!
官方微信
|
官方微博
|
搜索
|
24小时供水热线:
0762-3364722
网站首页
关于我们
领导致辞
公司简介
组织机构
企业荣誉
新闻动态
公司动态
通知公告
新闻动态
企业文化
品牌建设
文体活动
员工风采
供水信息
管网压力
水质日报告
水质月报告
水质年报告
业务办理
用水报装
报修服务
业务指南
客户服务
服务承诺
水价标准
水费缴纳方式
用水常识
法律法规
表格下载
工程收费与材料
营业网点
服务承诺
水价标准
水费缴纳方式
用水常识
法律法规
表格下载
营业网点
工程收费标准与材料价格
当前位置:
首页
>
客户服务
>
法律法规
>
正文
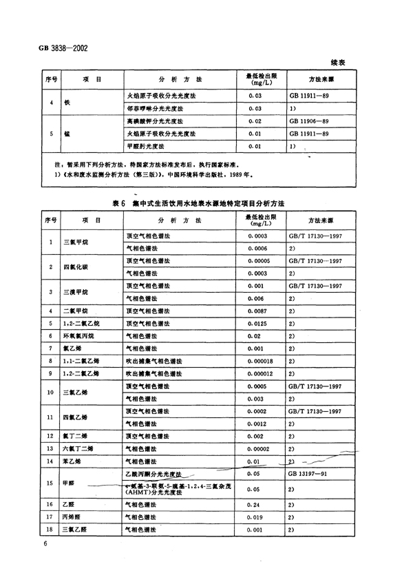
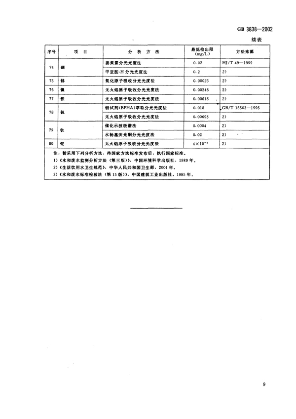
地表水环境质量标准(GB3838-2002)
来源:本站
作者:河源水务
发布时间:2014-11-21 15:11:00
上一篇:
二次供水工程技术规程(CJJ140-2010)
2014-11-21
下一篇:
生活饮用水卫生标准-GB5749-2006
2014-11-21